Analog Electronics
BJT
Practice questions from BJT.
2
Total0
Attempted0
Correct0
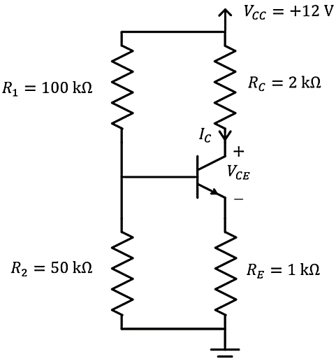
IncorrectA BJT biasing circuit is shown in the figure, where and . The Quiescent Point values of and are respectively
For Voltage Divider Bias, we need to compute Thevenin Equivalent at Base Terminals
in BE loop
KVL in CE loop,
The Zener diode in circuit has a breakdown voltage of . The current gain of the transistor in the active region in 99. Ignore base-emitter voltage drop . The current through the 20Ω resistance in milliamperes is _________ (Round off to 2 decimal places).
Apply OC Test on Zener diode
Given VBE = 0
25 – 7000 IB – 0 – 10IE – 20IE = 0
25 = 100 IE ∴IE = 0.25A = 250 mA
By KVL: -VD – 0 – IE × 10 = 0
VD = -2.5 V
Zener diode is reverse biased but does not operate in breakdown region & hence open.



























