Control Systems
Transfer Function
Practice questions from Transfer Function.
3
Total0
Attempted0
Correct0
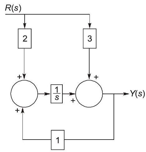
IncorrectFor the block-diagram shown in the figure, the transfer function is
By Mason's gain formula,
and
No non touching loop pair
Only forward path
For the block diagram shown in the figure, the transfer function is
Various signals in block diagram are marked below
Transfer Function
A continuous-time system that is initially at rest is described by
where is the input voltage and is the output voltage. The impulse response of the system is
Differential equation of system is,
Take Laplace Transform both sides
sY(s) + 3Y(s) = 2X(s)
Transfer Response,




































