Network Analysis
Three Phase Circuits
Practice questions from Three Phase Circuits.
1
Total0
Attempted0
Correct0
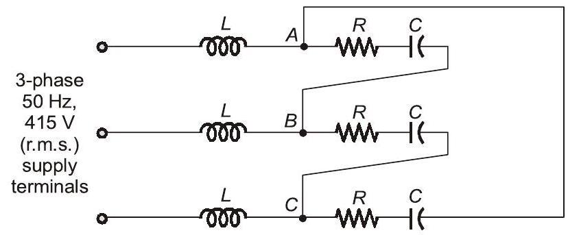
IncorrectA balanced delta connected load consisting of the series connection of one resistor (R=15Ω) and a capacitor in each phase is connected to three-phase, supply terminals through a line having an inductance of per phase, as shown in the figure. Considering the change in the supply terminal voltage with loading to be negligible, the magnitude of the voltage across the terminals in Volts is ________ (Round off to the nearest integer).
Convert Δ connected load to star
By this conversion phase voltage across load changes but line voltage remains same
By voltage division
Magnitude of load voltage per phase
Line to line voltage across load = 415 V











