Power Electronics
Power Semiconductor Devices
Practice questions from Power Semiconductor Devices.
3
Total0
Attempted0
Correct0
IncorrectIf the following switching devices have similar power ratings, which one of them is the fastest?
Power MOSFET is the fastest device among all the power semiconductor devices.
A semiconductor switch needs to block voltage of only one polarity during OFF state as shown in figure (i) and carry current in both directions during ON state as shown in figure (ii). Which of the following switch combination(s) will realize the same?
Fig. (i)
Fig. (ii)
Since, the switch can block only one polarity of voltage called as Unipolar Switch.
But, since current can flow in both directions, so the switch is bidirectional.
Whenever anti-parallel diode is connected to a switch then reverse current can also flow so switch becomes Bidirectional.
as shown current can flow in both directions.
BJT blocks forward voltage but diode cannot allow blocking reverse voltage.
Switch is unipolar & bidirectional.
Diode connected in series does not allow current flow in both directions.
BJT blocks forward voltage while series diode blocks reverse voltage
∴ switch is unidirectional & bipolar.
Diode connected in series does not allow current flow in both directions.
BJT blocks forward voltage & series diode blocks reverse voltage. hence switch is unipolar.
∴ switch is bipolar & unidirectional
This switch is combination of previous switch & antiparallel diode.
∴ switch becomes bidirectional & unipolar.
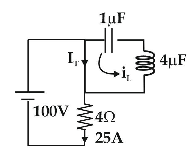
The circuit shown in the figure has reached steady state with thyristor '' in OFF condition. Assume that the latching and holding currents of the thyristor are zero. The thyristor is turned at . The duration in microseconds for which the thyristor would conduct, before it turns off, is ___ (Round off to 2 decimal places).
If circuit is in steady state with T : OFF
C : Open L : shoot
vc = 100V iL = 0A
Now when T : ON, a LC oscillator is formed
Load current
= 25 + 50 sinω0t
T turns OFF when IT = 0
25 + 50 sinω0t = 0






















