Electrical Machines
Transformers
Practice questions from Transformers.
3
Total0
Attempted0
Correct0
IncorrectThe transformer connection given in the figure is part of a balanced 3-phase circuit where the phase sequence is "". The primary to secondary turns ratio is . If , then the relationship between and will be
Given : .
Primary and secondary phase currents of same phase are drawn. parallel to each other in phasor.
Thus, lags by .
Option (a) is correct.
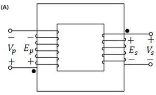
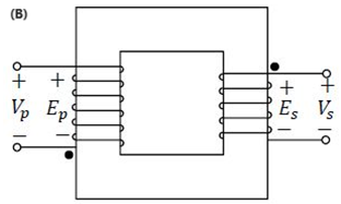
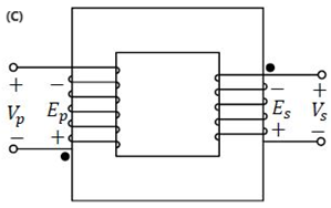
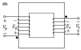
Which one of the following options represents possible voltage polarities in a single phase two winding transformer? Here, is the applied primary voltage, is the induced primary voltage, is the open circuit secondary voltage, and is the induced secondary voltage.
Marks to all
Basic Principle of Transformer states that dots on both primary and secondary must have same polarity of voltage.
This condition is satisfied in Option B but in option B the dots are wrongly placed.
The correct diagram should be
But this does not match any of the given options.
When the winding of the single-phase, , two winding transformer is supplied from an AC current source of frequency , the rated voltage of (rms), is obtained at the open-circuited terminals . The cross sectional area of the core is and the average core length traversed by the mutual flux is . The maximum allowable flux density in the core is and the relative permeability of the core material is 5000. The leakage impedance of the winding and winding at are and , respectively. Considering the magnetizing characteristics to be linear and neglecting core loss, the self-inductance of the winding a-b in millihenry is _________ (Round off to 1 decimal place).
Open circuit voltage at a-b = 200V (rms)
Reluctance of flux path inside core =
Mutual inductance referred to primary =
Self inductance of primary = M + Lep
= 2.0357 + 0.16 = 2.1957
= 2195.7 mH












































