EMFT EE
Electrostatics
Practice questions from Electrostatics.
4
Total0
Attempted0
Correct0
IncorrectWhich one of the following figures represents the radial electric field distribution caused by a spherical cloud of electrons with a volume charge density, for (both are positive and is the radial distance) and for ?
Given:
For ,
Option (c) is correct
Let be the unit radial vector in the spherical co-ordinate system. For which of the following value(s) of , the divergence of the radial vector field is independent of ?
Step 1: Compute Divergence in Spherical Coordinates
For a purely radial field , the divergence is:
Given , substitute:
Step 2: Simplify the Expression
.
Take the derivative:
Thus, the divergence becomes:
.
Step 3: Identify When Divergence is Independent of R
For the divergence to be independent of R, the exponent of R must vanish:
But wait! There's another case where the divergence is independent of R:
If the prefactor , the divergence becomes zero (trivially independent of R).
This occurs when:
Verification for Both Cases:
1. For :
2. For :
Consider two coupled circuits, having self-inductances and , that carry nonzero currents and , respectively. The mutual inductance between the circuits is with unity coupling coefficient. The stored magnetic energy of the coupled circuits is minimum at which of the following value(s) of ?
for minimizing the stored Magnetic energy,
Thus, for minimum stored energy,
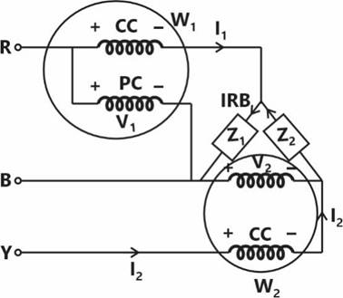
In the circuit shown, and . It is supplied by a three phase source with the phase sequence being R-Y-B. Assume the watt meters and to be ideal. The magnitude of the difference between the readings of and in watts is _______ (rounded off to 2 decimal places).




















































































